咨詢熱線
18761068161所屬欄目:軟齒面減速機 發布日期:2019-9-23 8:35:08 點擊量:

詳細說明

注:主動軸之軸端只有ZSC-750是錐形其余均為圓柱形

傳動比代號及參數

ZSC立式圓柱齒輪減速器承載能力表

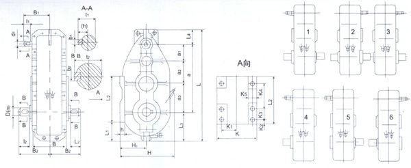
訂貨時選用代號示意圖

本文鏈接:http://www.tcyouda.com/content/?226.html
相關標簽:軟齒面減速機
上一篇:沒有了!
下一篇:ZL、ZLH系列圓柱齒輪減速機
掃一掃
添加微信好友咨詢
微信號:
18761068161